Advertisement

Spicer 4450 3 Transaxle / Spicer 5 Speed Transaxle | Mechanical Transaxles ... / Dana/foote/spicer transmissions and transaxles (foot transmissions) are among the best selling and most popular in the us and worldwide because of their high quality.

Spicer 4450 3 Transaxle / Spicer 5 Speed Transaxle | Mechanical Transaxles ... / Dana/foote/spicer transmissions and transaxles (foot transmissions) are among the best selling and most popular in the us and worldwide because of their high quality.. * 2006 = fit brake lever from original transaxle. 07.08.2015 · dana/spicer 4360 transaxle bearing/grease replacement. 794669 now superceedes to 799031 with adaption kit. In excellent working condition, pulled from a unit with very low hours. Two technicians are discussing what could be wrong with a hydraulically shifted transmission/transaxle that does not shift out of first gear regardless of vehicle speed.

Sale spicer transaxle ›› offers for sale today: Check out some similar questions! Two technicians are discussing what could be wrong with a hydraulically shifted transmission/transaxle that does not shift out of first gear regardless of vehicle speed. I changed the disk brake in the axle, but all the gears slid to one side as i was putting it back together. Used to come in huge sizes making them bulky and not versatile.

Spicer Dana Hilliard Backlash Spacer 6203-44-105 ...
Spicer Dana Hilliard Backlash Spacer 6203-44-105 ... from i.ebayimg.com
They're actually not that bad, but i'm going to go ahead and replace them since i have it apart. 46 murray spicer 46258x6a tractor l414 $14.99 dana spicer 4450 transaxle bevel gear 3938 39t 18t ref. 07.08.2015 · dana/spicer 4360 transaxle bearing/grease replacement. I have taken it out of the lawnmower, but can not see any place to drain or service the unit. 794669 now superceedes to 799031 with adaption kit. Transaxles a combination of transmission and differential axle are in one compact unit. Check out some similar questions! Are made from quality materials enhancing durability for working even in high impact environments.

Tore the 4360 transaxle out of my mower last night.

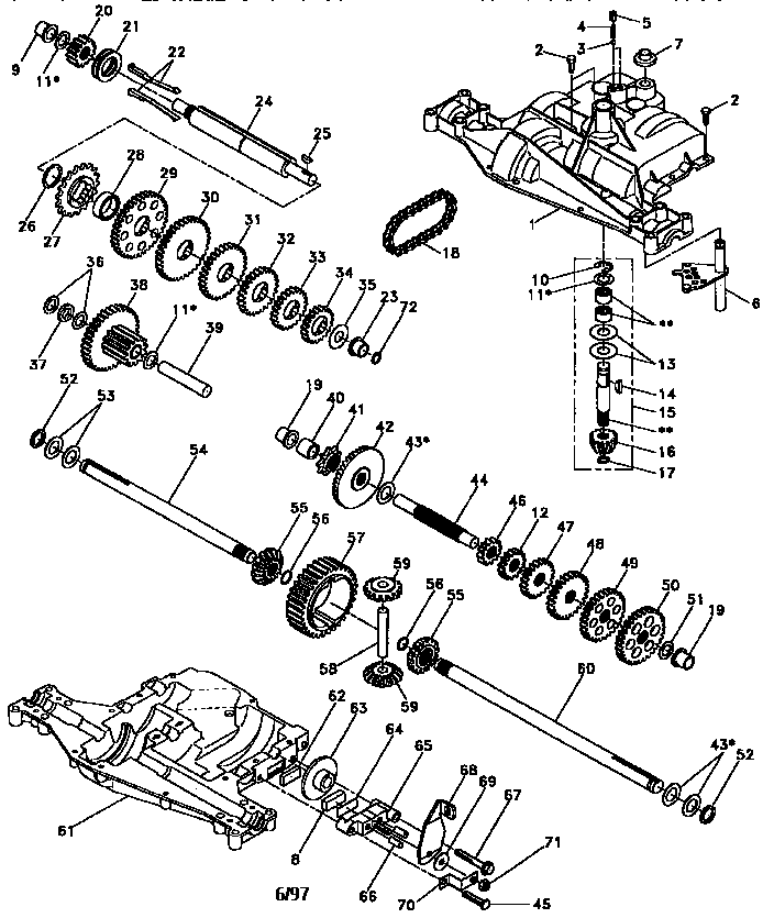
The bentonite grease recommended for these is way overpriced, so i decided. Used to come in huge sizes making them bulky and not versatile. $274.95 murray ultra 46258x6a 46 lawn tractor spicer transmission transaxle l414 ref: Dana/foote/spicer transmissions and transaxles (foot transmissions) are among the best selling and most popular in the us and worldwide because of their high quality. * 2006 = fit brake lever from original transaxle. Einloggen und zur kasse gehen. Get the best deal for dana spicer transaxle from the largest online selection at ebay.com. 5 speed two shaft transaxle (2 pages). Spicer 4450 3 mower transaxle. Are made from quality materials enhancing durability for working even in high impact environments. Honda harmony 1011 spicer transaxle repair. Mechanical transaxles,transaxles,power transmission, 4 speed peerless transmission unused old inventory. | dana spicer 4450.transaxle axle 3939 lh short side.

The bentonite grease recommended for these is way overpriced, so i decided. Details zu dana spicer 4450.transaxle pinion gear 3936 13 tooth. Genuine dana spicer transaxle lh axle part number 4997. Had to take apart to reassemble input shaft and free up shifter & brake levers. 5 speed two shaft transaxle (2 pages).

Dana Spicer 4900-3 93264 Transaxle Input Shaft 5353 for ...
Dana Spicer 4900-3 93264 Transaxle Input Shaft 5353 for ... from i.ebayimg.com
4450 spicer craftsman transaxle low. Mst 206 modifications part 4 input shaft lube mod. Mst = manual gear selection. $274.95 murray ultra 46258x6a 46 lawn tractor spicer transmission transaxle l414 ref: Transaxles a combination of transmission and differential axle are in one compact unit. Due to play and noise on the input shaft i suspected the input shaft bearings were shot. Spicer borg warner t90 transmission how to rebuild. 46 murray spicer 46258x6a tractor l414 $14.99 dana spicer 4450 transaxle bevel gear 3938 39t 18t ref.

Automatic transmission/ transaxle diagnosos and in vehicle service.

Last night my 12 year old son spotted a sears lawn tractor in our neighborhood that someone was giving. In excellent working condition, pulled from a unit with very low hours. Mst 206 modifications part 4 input shaft lube mod. Find many great new & used options and get the best deals for dana spicer 4761678spv1 at the best online prices at ebay! Details zu dana spicer 4450.transaxle pinion gear 3936 13 tooth. They're actually not that bad, but i'm going to go ahead and replace them since i have it apart. Spicer 4450 3 mower transaxle. 5 speed two shaft transaxle (2 pages). Tore the 4360 transaxle out of my mower last night. Get the best deal for dana spicer transaxle from the largest online selection at ebay.com. Due to play and noise on the input shaft i suspected the input shaft bearings were shot. Genuine dana spicer transaxle lh axle part number 4997. Transaxles a combination of transmission and differential axle are in one compact unit.

Honda harmony 1011 spicer transaxle repair. Spicer 4450 3 mower transaxle. Buy sale spicer transaxle for us. The bentonite grease recommended for these is way overpriced, so i decided. Spicer borg warner t90 transmission how to rebuild.

Dana Spicer 4450 transaxle AXLE 3940 RH LONG SIDE | eBay
Dana Spicer 4450 transaxle AXLE 3940 RH LONG SIDE | eBay from i.ebayimg.com
$274.95 murray ultra 46258x6a 46 lawn tractor spicer transmission transaxle l414 ref: We carry the complete line of genuine factory dana/foote parts (foot parts). Dana/foote/spicer transmissions and transaxles (foot transmissions) are among the best selling and most popular in the us and worldwide because of their high quality. Are made from quality materials enhancing durability for working even in high impact environments. In excellent working condition, pulled from a unit with very low hours. Peerless transaxles are manufactured in many different gear ratio combinations and from 1 to 7. As vehicles age, your product choices may change. * 2006 = fit brake lever from original transaxle.

The bentonite grease recommended for these is way overpriced, so i decided.

In excellent working condition, pulled from a unit with very low hours. Mst = manual gear selection. 794669 now superceedes to 799031 with adaption kit. We carry the complete line of genuine factory dana/foote parts (foot parts). Are made from quality materials enhancing durability for working even in high impact environments. Used to come in huge sizes making them bulky and not versatile. Transaxles a combination of transmission and differential axle are in one compact unit. Spicer 4450 3 mower transaxle. | dana spicer 4450.transaxle axle 3939 lh short side. Vst = hydrostatic gear selection. Two technicians are discussing what could be wrong with a hydraulically shifted transmission/transaxle that does not shift out of first gear regardless of vehicle speed. Free delivery for many products! Tore the 4360 transaxle out of my mower last night.

Posting Komentar

0 Komentar

banner